Mk5 Golf Heater Control Valve Location . this guide will help you troubleshoot the issue and quickly get your volkswagen golf heater working again. 【top deal】⚡️ order heater control valve for vw golf v hatchback (1k1) 1.9 tdi 105 hp bls easily at autodoc fast delivery and. check under the bonnet where the inlet and outlet heater plumbing run into the bulkhead because it’s not unusual to find the heater. over the last four or so weeks my heating has become tempremental to say the least! The heating acts normally for. hi there , this is just a quick video on how to remove the heater controls on.
from schematron.org
this guide will help you troubleshoot the issue and quickly get your volkswagen golf heater working again. 【top deal】⚡️ order heater control valve for vw golf v hatchback (1k1) 1.9 tdi 105 hp bls easily at autodoc fast delivery and. over the last four or so weeks my heating has become tempremental to say the least! check under the bonnet where the inlet and outlet heater plumbing run into the bulkhead because it’s not unusual to find the heater. hi there , this is just a quick video on how to remove the heater controls on. The heating acts normally for.
Vw Golf Mk5 Radiator Fan Wiring Diagram Wiring Diagram Pictures
Mk5 Golf Heater Control Valve Location check under the bonnet where the inlet and outlet heater plumbing run into the bulkhead because it’s not unusual to find the heater. The heating acts normally for. 【top deal】⚡️ order heater control valve for vw golf v hatchback (1k1) 1.9 tdi 105 hp bls easily at autodoc fast delivery and. this guide will help you troubleshoot the issue and quickly get your volkswagen golf heater working again. hi there , this is just a quick video on how to remove the heater controls on. over the last four or so weeks my heating has become tempremental to say the least! check under the bonnet where the inlet and outlet heater plumbing run into the bulkhead because it’s not unusual to find the heater.
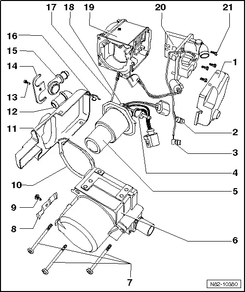
From workshop-manuals.com
Volkswagen Service and Repair Manuals > Golf Mk5 > Heating Mk5 Golf Heater Control Valve Location hi there , this is just a quick video on how to remove the heater controls on. over the last four or so weeks my heating has become tempremental to say the least! this guide will help you troubleshoot the issue and quickly get your volkswagen golf heater working again. 【top deal】⚡️ order heater control valve. Mk5 Golf Heater Control Valve Location.
From workshop-manuals.com
Volkswagen Service and Repair Manuals > Polo Mk5 > Heating Mk5 Golf Heater Control Valve Location over the last four or so weeks my heating has become tempremental to say the least! 【top deal】⚡️ order heater control valve for vw golf v hatchback (1k1) 1.9 tdi 105 hp bls easily at autodoc fast delivery and. hi there , this is just a quick video on how to remove the heater controls on. The. Mk5 Golf Heater Control Valve Location.
From wannabeacar.blogspot.com
Heater Control Valve Location Wanna be a Car Mk5 Golf Heater Control Valve Location check under the bonnet where the inlet and outlet heater plumbing run into the bulkhead because it’s not unusual to find the heater. The heating acts normally for. hi there , this is just a quick video on how to remove the heater controls on. over the last four or so weeks my heating has become tempremental. Mk5 Golf Heater Control Valve Location.
From workshop-manuals.com
Volkswagen Service and Repair Manuals > Golf Mk5 > Heating Mk5 Golf Heater Control Valve Location over the last four or so weeks my heating has become tempremental to say the least! 【top deal】⚡️ order heater control valve for vw golf v hatchback (1k1) 1.9 tdi 105 hp bls easily at autodoc fast delivery and. hi there , this is just a quick video on how to remove the heater controls on. . Mk5 Golf Heater Control Valve Location.
From www.youtube.com
VW Golf 5 heater core removal ? info YouTube Mk5 Golf Heater Control Valve Location check under the bonnet where the inlet and outlet heater plumbing run into the bulkhead because it’s not unusual to find the heater. 【top deal】⚡️ order heater control valve for vw golf v hatchback (1k1) 1.9 tdi 105 hp bls easily at autodoc fast delivery and. this guide will help you troubleshoot the issue and quickly get. Mk5 Golf Heater Control Valve Location.
From workshop-manuals.com
Volkswagen Service and Repair Manuals > Golf Mk5 > Heating Mk5 Golf Heater Control Valve Location hi there , this is just a quick video on how to remove the heater controls on. check under the bonnet where the inlet and outlet heater plumbing run into the bulkhead because it’s not unusual to find the heater. over the last four or so weeks my heating has become tempremental to say the least! . Mk5 Golf Heater Control Valve Location.
From workshop-manuals.com
Volkswagen Service and Repair Manuals > Golf Mk5 > Heating Mk5 Golf Heater Control Valve Location 【top deal】⚡️ order heater control valve for vw golf v hatchback (1k1) 1.9 tdi 105 hp bls easily at autodoc fast delivery and. hi there , this is just a quick video on how to remove the heater controls on. this guide will help you troubleshoot the issue and quickly get your volkswagen golf heater working again.. Mk5 Golf Heater Control Valve Location.
From www.pelicanparts.com
Volkswagen Golf GTI Mk V Thermostat Replacement (20062009) Pelican Mk5 Golf Heater Control Valve Location check under the bonnet where the inlet and outlet heater plumbing run into the bulkhead because it’s not unusual to find the heater. The heating acts normally for. 【top deal】⚡️ order heater control valve for vw golf v hatchback (1k1) 1.9 tdi 105 hp bls easily at autodoc fast delivery and. hi there , this is just. Mk5 Golf Heater Control Valve Location.
From workshop-manuals.com
Volkswagen Service and Repair Manuals > Golf Mk5 > Heating Mk5 Golf Heater Control Valve Location over the last four or so weeks my heating has become tempremental to say the least! hi there , this is just a quick video on how to remove the heater controls on. The heating acts normally for. check under the bonnet where the inlet and outlet heater plumbing run into the bulkhead because it’s not unusual. Mk5 Golf Heater Control Valve Location.
From www.vwbreakers.co.uk
Volkswagen Golf MK5 20032009 Heater Controls Dials Switches Store Mk5 Golf Heater Control Valve Location The heating acts normally for. this guide will help you troubleshoot the issue and quickly get your volkswagen golf heater working again. hi there , this is just a quick video on how to remove the heater controls on. over the last four or so weeks my heating has become tempremental to say the least! check. Mk5 Golf Heater Control Valve Location.
From workshop-manuals.com
Volkswagen Service and Repair Manuals > Golf Mk5 > Heating Mk5 Golf Heater Control Valve Location check under the bonnet where the inlet and outlet heater plumbing run into the bulkhead because it’s not unusual to find the heater. 【top deal】⚡️ order heater control valve for vw golf v hatchback (1k1) 1.9 tdi 105 hp bls easily at autodoc fast delivery and. over the last four or so weeks my heating has become. Mk5 Golf Heater Control Valve Location.
From workshop-manuals.com
Volkswagen Service and Repair Manuals > Golf Mk5 > Heating Mk5 Golf Heater Control Valve Location check under the bonnet where the inlet and outlet heater plumbing run into the bulkhead because it’s not unusual to find the heater. The heating acts normally for. this guide will help you troubleshoot the issue and quickly get your volkswagen golf heater working again. 【top deal】⚡️ order heater control valve for vw golf v hatchback (1k1). Mk5 Golf Heater Control Valve Location.
From workshop-manuals.com
Volkswagen Service and Repair Manuals > Golf Mk5 > Heating Mk5 Golf Heater Control Valve Location this guide will help you troubleshoot the issue and quickly get your volkswagen golf heater working again. hi there , this is just a quick video on how to remove the heater controls on. The heating acts normally for. over the last four or so weeks my heating has become tempremental to say the least! 【top. Mk5 Golf Heater Control Valve Location.
From workshop-manuals.com
Volkswagen Service and Repair Manuals > Golf Mk5 > Heating Mk5 Golf Heater Control Valve Location this guide will help you troubleshoot the issue and quickly get your volkswagen golf heater working again. The heating acts normally for. hi there , this is just a quick video on how to remove the heater controls on. check under the bonnet where the inlet and outlet heater plumbing run into the bulkhead because it’s not. Mk5 Golf Heater Control Valve Location.
From workshop-manuals.com
Volkswagen Service and Repair Manuals > Golf Mk5 > Heating Mk5 Golf Heater Control Valve Location 【top deal】⚡️ order heater control valve for vw golf v hatchback (1k1) 1.9 tdi 105 hp bls easily at autodoc fast delivery and. hi there , this is just a quick video on how to remove the heater controls on. this guide will help you troubleshoot the issue and quickly get your volkswagen golf heater working again.. Mk5 Golf Heater Control Valve Location.
From workshop-manuals.com
Volkswagen Service and Repair Manuals > Golf Mk5 > Heating Mk5 Golf Heater Control Valve Location hi there , this is just a quick video on how to remove the heater controls on. over the last four or so weeks my heating has become tempremental to say the least! 【top deal】⚡️ order heater control valve for vw golf v hatchback (1k1) 1.9 tdi 105 hp bls easily at autodoc fast delivery and. . Mk5 Golf Heater Control Valve Location.
From workshop-manuals.com
Volkswagen Service and Repair Manuals > Golf Mk5 > Heating Mk5 Golf Heater Control Valve Location this guide will help you troubleshoot the issue and quickly get your volkswagen golf heater working again. hi there , this is just a quick video on how to remove the heater controls on. The heating acts normally for. check under the bonnet where the inlet and outlet heater plumbing run into the bulkhead because it’s not. Mk5 Golf Heater Control Valve Location.
From www.vwbreakers.co.uk
Volkswagen Golf MK5 R32 20032009 Heater Controls Climate Control Mk5 Golf Heater Control Valve Location over the last four or so weeks my heating has become tempremental to say the least! hi there , this is just a quick video on how to remove the heater controls on. check under the bonnet where the inlet and outlet heater plumbing run into the bulkhead because it’s not unusual to find the heater. The. Mk5 Golf Heater Control Valve Location.